1/8



東京都 立川市
6.94㎡ (2.1坪)
図面・フロアマップ

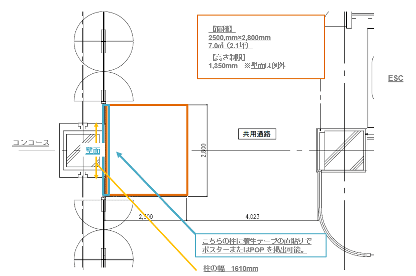
ルミネ立川のコンコースからの出入口のすぐそばに位置し、真正面にはエスカレーターがあるためトラフィックが多い区画です。雑貨や身回り品などの展開が多いイベントスペースです。 【本フロアの特徴】 エリアトップの高感度・高品質なファッションとコスメによるライフスタイルを提案するフロアです。 ▼フロアガイド https://www.lumine.ne.jp/sp/tachikawa/map/floor.php?floor=2&floor_id=06&build=&roof=1 【無料販促ツール(SNS)】 ルミネ立川店公式Twitter( https://twitter.com/luminetachikawa ) フォロワー数 約6,900人(2023/4/1時点) ルミネ立川店公式インスタグラム( https://www.instagram.com/lumine_tachikawa ) フォロワー数 約8,000人(2023/4/1時点)、ストーリー平均ビュー数 約1,000ビュー 事前にWEBやSNSを見ての来店が急増しており、頻繁に買い物に来ることが難しい昨今の重要なアプローチ手段となっています。 【デジタルサイネージ】 立川駅をご利用の幅広い層にアプローチ可能 静止画/動画の両方を放映可能 ・場所 2Fコンコース(4面)…物販ショップ 1F東西出入口(2面)…飲食・食品ショップ 【面積】 2500,mm×2,800mm 7.0㎡(2.1坪) 【高さ制限】 1,350mm ※壁面は例外